This Eye End Adapter will connect a grip or fixture with a 5/8' eye end to a 1.25' female eye end connection.
Eye end adapters ensure a secure and reliable mounting of grips.
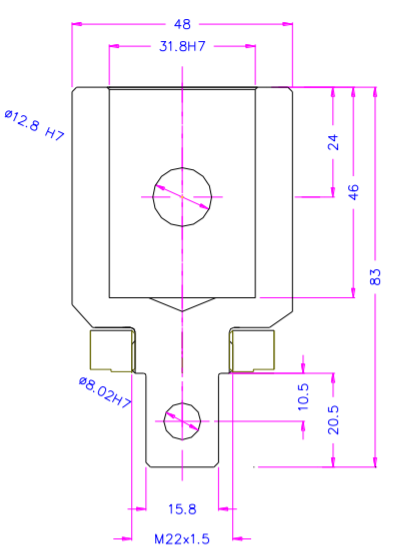
Specifications
- Connection: 5/8' (15.8 mm) male eye end, 8 mm pin
- Connection: 1.25' [31.8 mm] female eye end with 12.8 mm diameter clevis pin
- Load Capacity: 20 kN
- Material: Steel, nickel-plated
Included Items
- (1) Adapter
- (1) Locking rings
- (2) Clevis pins
Dimensions
